联系电话
025-84395285
网站导航
网站首页
关于我们
产品展示
新闻中心
环境信息公示
在线留言
联系我们
环境信息公示
当前位置:
首页
>
环境信息公示
>
环境监测
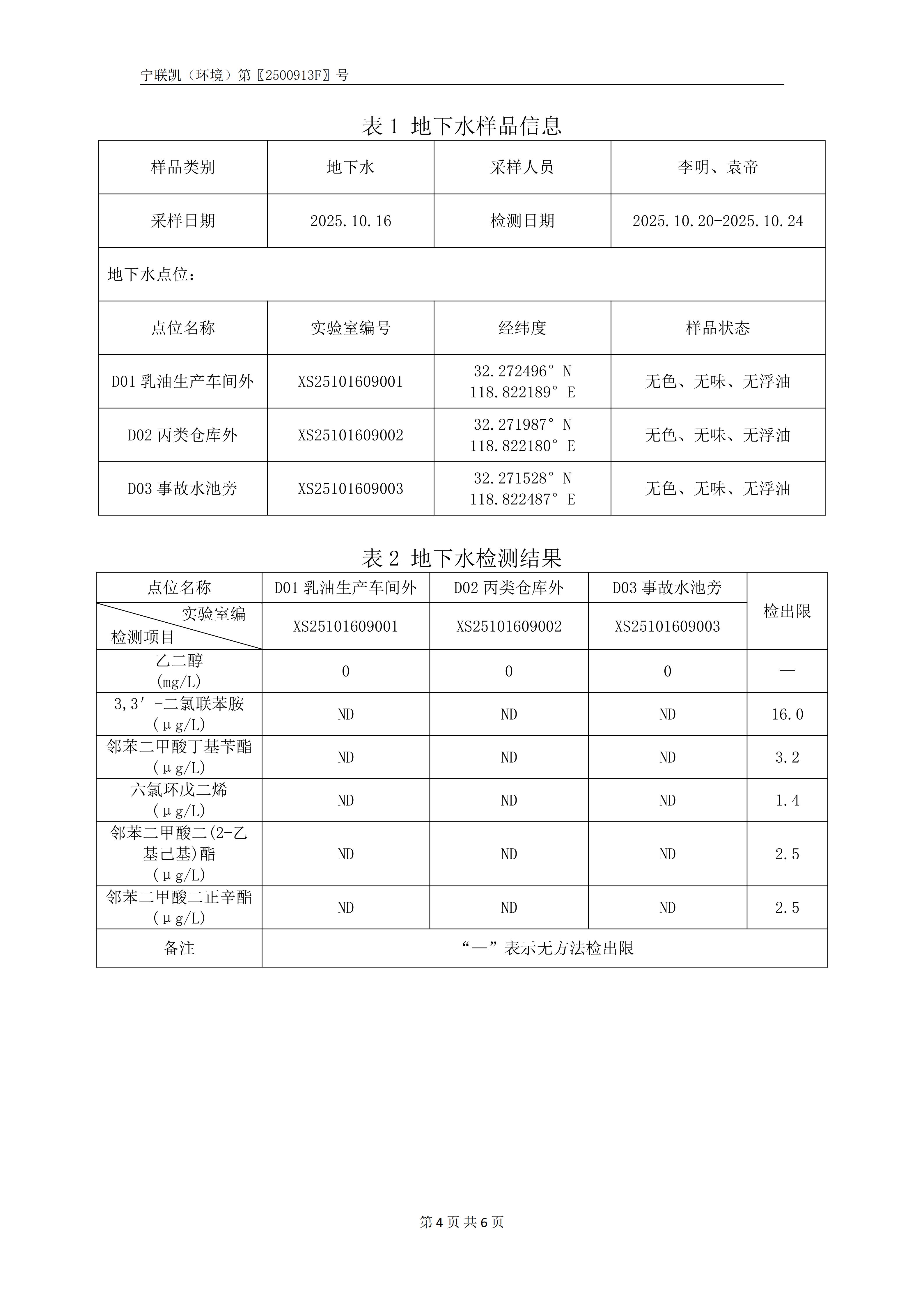
环境监测--2025年地下水检测报告
时间:2025-12-05 10:47:07 点击次数:179
上一篇:
2025年排污许可证
下一篇:
环境监测--2025年地下水、土壤检测报告
如果您有任何问题,请跟我们联系!
联系我们